This chapter contains the following examples:
Application example of the Feed Forward function
With a heat exchanger, the temperature PV2 should be regulated at the output of the secondary circulation. A PID controller controls the inflow valve for warm air depending on PV2 and the setpoint SP. The cold water temperature is regarded as a measurable disturbance variable in this control process.
The feed forward function means a reaction can occur as soon as the cold water temperature changes without waiting for PV2 to decrease.
Presentation of the servo loop:
The following hypotheses are accepted:
-
The condenser output temperature (cold water temperature) varies between 5 °C and 25 °C, with a mean value of 15 °C.
-
A DT temperature change has a full effect on the output temperature of the heat exchanger.
-
To compensate for a temperature increase (or decrease) by 5 C at the output of the heat exchanger, the steam control valve must be closed (or opened) by 10 %.
The feed forward input parameters should be adjusted so that the cold water temperature has the following effect on the steam control valve:
|
Temperature range
|
Effects
|
|
15 °C
|
no effect
|
|
10% per 5 °C between 5 and 25 °C
|
|
Adjustments to be preset
|
Element
|
Value
|
|
ff_sup
|
25 °C
|
|
ff_inf
|
5 °C
|
|
otff_sup
|
10 %
|
|
otff_inf
|
- 10 %
|
Example of the cascaded arrangement of two controllers
A representation of the function map, part 1, follows:
A representation of the function map, part 2, follows:
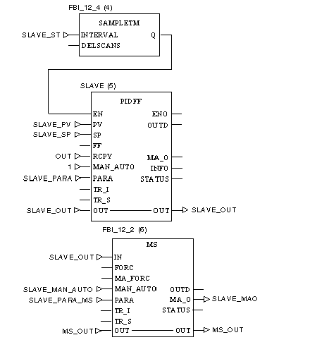
Example of cascade-like control
A representation of the function map follows: