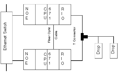
Hot Standby Interconnection
The following diagram shows a Hot Standby system and the relationship between the 2 redundant systems. Two 140 CPU 67• 6• controllers are connected via a link created with fiber optic cable. The RIOs are connected both to each other (through the fiber optic cable) and to the RIO drops.
NOTE: The following three items are required.
-
Two identical systems
-
identical order of modules in each rack
-
identical software revisions
The NOEs are connected to the same switch. Connecting to the same switch is recommended because the NOEs communicate with each other in order to swap the IP address.
There are two reasons to connect to the same switch:
-
If a failure to communicate between the NOEs occurs, the time to swap increases.
-
To minimize the probability of a failure, connect the two NOEs to the same switch.
The other requirement for the switches is that they are on the same sub-network.