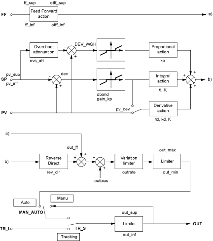
Structure diagram of the
PIDFF
controller
Original instructions
About us
Structure diagram
Structure of the
PIDFF
controller: