Controller coupling
Original instructions
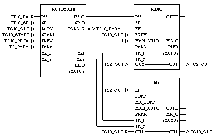
Application example with a PIDFF controller type EFB
The following diagram is an application example of an AUTOTUNE EFB with a PIDFF EFB controller type:
The AUTOTUNE EFB exchanges with the controller parameter: Access to the controller parameters is via the link between the output PARA_C of the AUTOTUNE function block and the input PARA of the controller. The PARA_C output is of the ANY type and enables the connection of the AUTOTUNE EFB to various controller types (PIDFF or PI_B).
The AUTOTUNE EFB and the controller also share the following interlinkable variables: PV,SP, TR_I and TR_S. PV, SP, TR_I and TR_S. These variables display AUTOTUNE inputs, which lead to the corresponding outputs, in order to switch to controller inputs
If the autotune is active, the TRS output transfers to 1 and the manipulated variable is attached at the TRI output. The purpose of these outputs is to connect to the inputs TR_I and TR_S of the function blocks following AUTOTUNE. In this way, these can be set to the tracking operation mode (PIDFF, PI_B, MS,).
Example for connection: Servoloops with a simple PID controller
This section is concerned with the automatic setting of a single controller (most frequent case). The controller can be of PI_B or PIDFF type.
The AUTOTUNE EFB requires the scaling parameters of the controller (PARA_C structure parameters) pv_inf, pv_sup, out_inf, out_sup as well as the controller’s structure type, which is specified via the mix_par bit. The EFB creates the parameters of the PID controller (KP, TI, TD) from this. The direction of action of the controller (rev_dir) is checked when testing the autotune and is compared to the sign for the gain of the model. When incompatibility occurs, an error is shown for the diag Parameters.
Example for connection: Servoloops with simple PID controller and MS function block
If the servoloop contains a MS-EFB, the structure can appear as follows:
When starting the autotune, the AUTOTUNE EFB sets the MS function block to tracking mode and hence controls the output of the servoloop directly. Using AUTOTUNE and PIDFF blocks’ RCPY inputs enables a bumpless restart of the servoloop.